服務熱線
4006-598-119
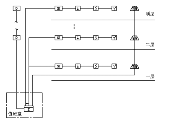
區域報警控制器通常配備直接控制輸出觸點(非總線聯動模塊),可通過編程實現以下操作:
a.火災確認后,自動切斷非消防電源(如空調、普通照明)。
b.強制啟動消防應急照明和疏散指示系統。
c.無需升級為集中報警系統
規范明確:僅需報警、無需聯動復雜消防設備(如排煙風機、消防泵)的場所,可采用區域報警系統。
切斷非消防電源屬于“簡單聯動”,不要求必須配置消防聯動控制器(集中報警系統的核心設備)。

2.技術依據
《GB 50116-2013實施指南》指出:

“利用區域報警控制器的控制輸出觸點實現的非消防電源切斷、應急照明啟動等功能,仍屬于區域報警系統的范疇。”
《建筑防火通用規范》(GB 55037-2022)也強調:區域報警系統應滿足基本火災報警及必要控制功能,無需過度配置。
上一篇:火災探測器選型對照表
下一篇:亂按消防主機按鍵會怎樣?